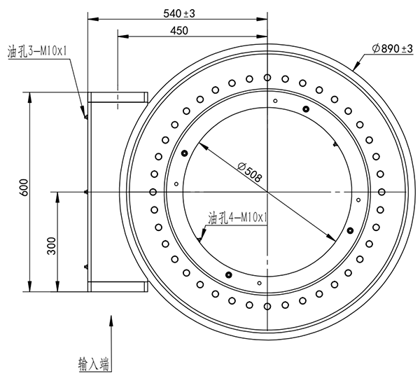
WZ0620
发布时间:2022/09/09 双排球回转驱动 浏览次数:1769
| 项目/ Item WZ-III-0620 | 符号 Sign | 单位 Unit | 数值 Value |
| 模数/Module | M | mm | 10 |
| 齿圈齿数/Teeth number of wheel | Z2 | - | 80 |
| 蜗杆螺纹系数/Worm thread | Z1 | - | 1 |
| 传动比/Gear ration | i | - | 80.00 |
| 最大扭矩/Max torque | Md max | N.m | 130340 |
| 标准扭矩/Nom torque | Md nom | N.m | 130340 |
| 最大保持扭矩/Max holding torque | Mh | N.m | 130340 |
| 径向额定静载荷/Radial static load | Co rad | KN | 2010 |
| 轴向额定静载荷/Axial static load | Co ax | KN | 5380 |
| 径向额定动载荷/Radial dynamic load | Crad | KN | 716 |
| 轴向额定动载荷/Axial dynamic load | Cax | KN | 834 |
| 重量/Weight | W | Kg | 496 |
相关推荐
获取方案报价






