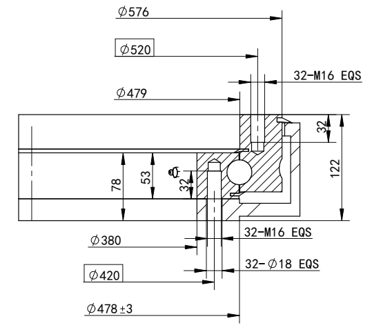
WZ-0478-2
发布时间:2022/11/09 双蜗杆回转驱动 浏览次数:1620
| 项目/ Item WZ-III-0478-2 | 符号 Sign | 单位 Unit | 数值 Value |
| 模数/Module | M | mm | 6 |
| 齿圈齿数/Teeth number of wheel | Z2 | - | 93 |
| 蜗杆螺纹系数/Worm thread | Z1 | - | 1 |
| 传动比/Gear ration | i | - | 93.00 |
| 最大扭矩/Max torque | Md max | N.m | 46147 |
| 标准扭矩/Nom torque | Md nom | N.m | 46147 |
| 最大保持扭矩/Max holding torque | Mh | N.m | 65100 |
| 径向额定静载荷/Radial static load | Co rad | KN | 675 |
| 轴向额定静载荷/Axial static load | Co ax | KN | 1808 |
| 径向额定动载荷/Radial dynamic load | Crad | KN | 251 |
| 轴向额定动载荷/Axial dynamic load | Cax | KN | 293 |
| 重量/Weight | W | Kg | 175 |
相关推荐
获取方案报价






