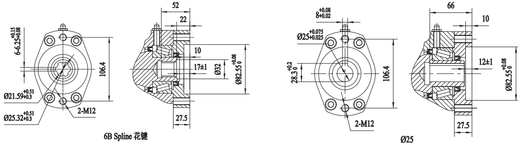
SE21/PE21
发布时间:2021/02/01 SE/PE系列 浏览次数:3572
| 项目/Item SE21&PE21 | 数值 Value | 单位 Unit |
| 输出转矩/Output Torque | 15 | kN.m |
| 倾覆力矩/Tilting Moment Torque | 203 | kN.m |
| 保持力矩/Holding Torque | 105.8 | kN.m |
| 轴向静载荷/Static Axial Rating | 1598 | kN |
| 径向静载荷/Static Radial Rating | 640 | kN |
| 轴向动载荷/Dynamic Axial Rating | 385 | kN |
| 径向动载荷/Dynamic Radial Rating | 335 | kN |
| 减速比/Gear Ratio | 125:1 | — |
| 精度等级/Tracking Precision | ≤0.15 ≤0.05/0.07 | ° |
| 重量/Weight | 149 | kg |
相关推荐
获取方案报价







