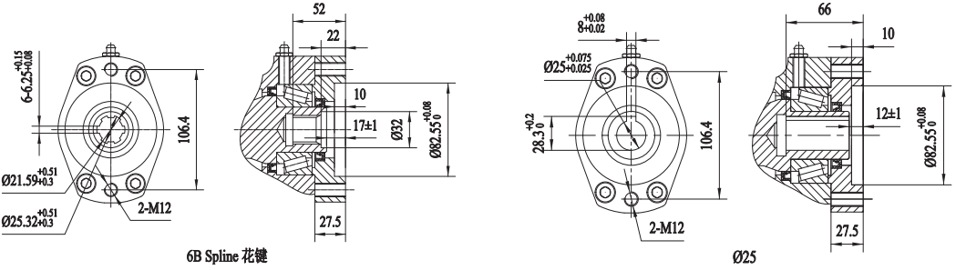
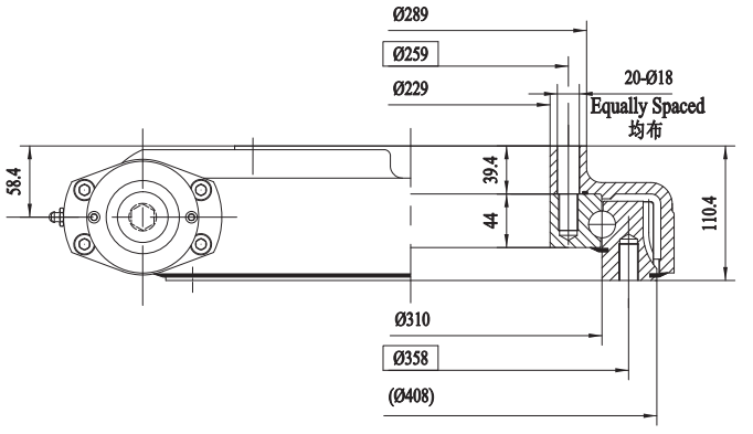
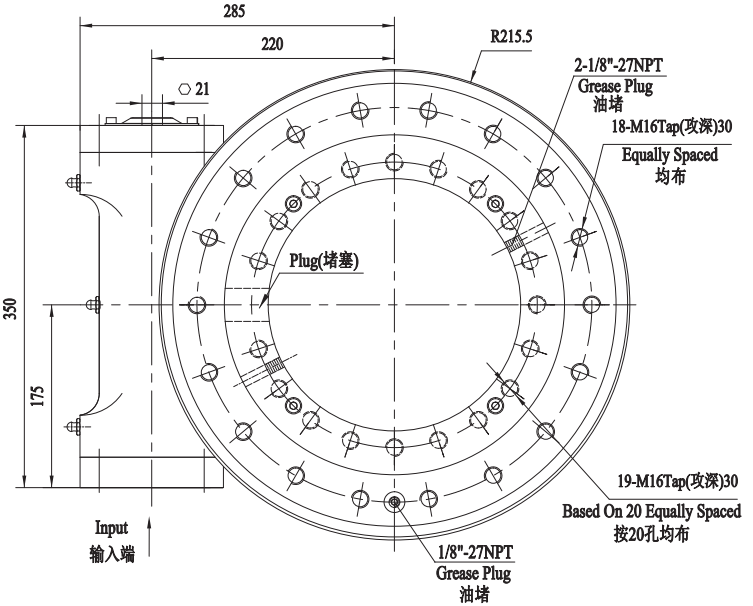
SE12/PE12
发布时间:2021/02/01 SE/PE系列 浏览次数:3126
| 项目/Item SE12&PE12 | 数值 Value | 单位 Unit |
| 输出转矩/Output Torque | 7.5 | kN.m |
| 倾覆力矩/Tilting Moment Torque | 54.3 | kN.m |
| 保持力矩/Holding Torque | 43 | kN.m |
| 轴向静载荷/Static Axial Rating | 475 | kN |
| 径向静载荷/Static Radial Rating | 190 | kN |
| 轴向动载荷/Dynamic Axial Rating | 114 | kN |
| 径向动载荷/Dynamic Radial Rating | 100 | kN |
| 减速比/Gear Ratio | 78:1 | — |
| 精度等级/Tracking Precision | ≤0.17 ≤0.05/0.07 | ° |
| 重量/Weight | 61 | kg |
相关推荐
获取方案报价







