WE9
发布时间:2021/01/30 WE系列 浏览次数:2743
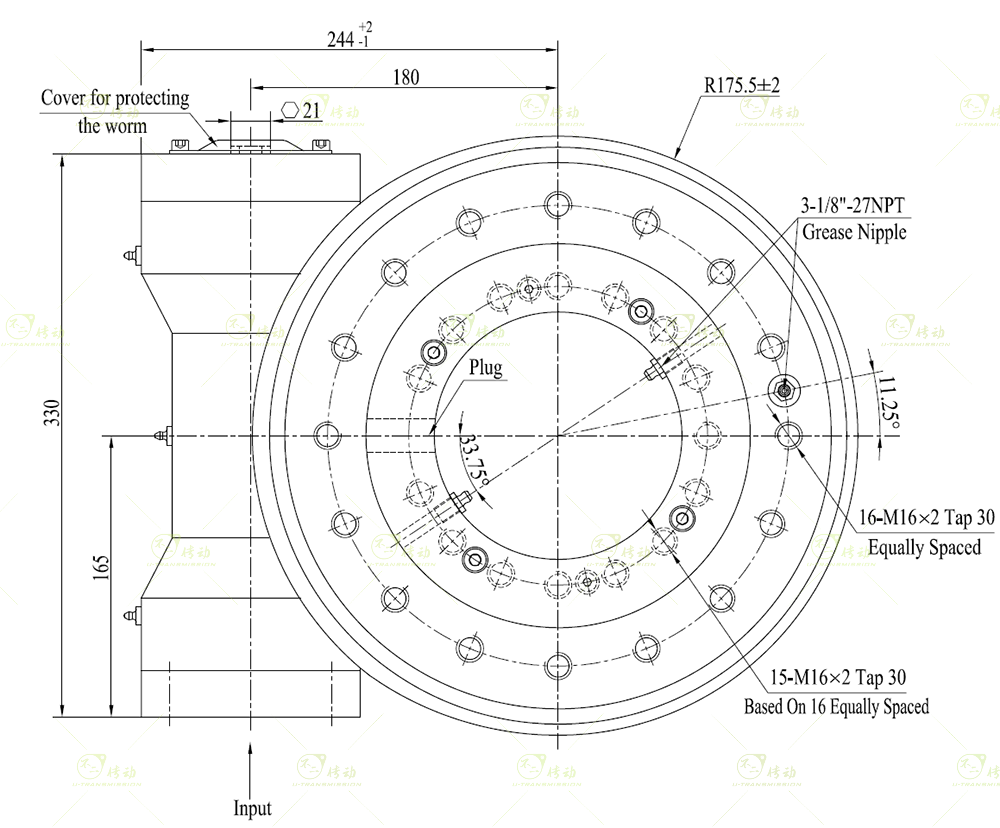
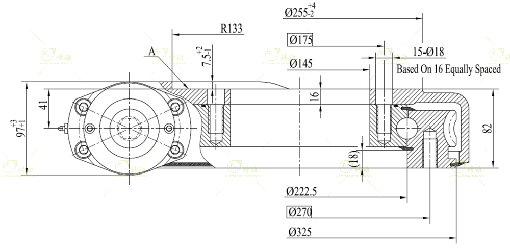
| 项目/Item WE9 | 数值 Value | 单位 Unit |
| 输出转矩/Output Torque | 8 | kN.m |
| 倾覆力矩/Tilting Moment Torque | 35.6 | kN.m |
| 保持力矩/Holding Torque | 38.7 | kN.m |
| 轴向静载荷/Static Axial Rating | 578 | kN |
| 径向静载荷/Static Radial Rating | 215 | kN |
| 轴向动载荷/Dynamic Axial Rating | 136 | kN |
| 径向动载荷/Dynamic Radial Rating | 115 | kN |
| 减速比/Gear Ratio | 62:1 | — |
| 精度等级/Tracking Precision | ≤0.15 | ° |
| 重量/Weight | 48.5 | kg |
相关推荐
获取方案报价








